關於我們 最新消息 案例分享 汽車醫生 Q&A
登入/註冊
登入
註冊
  • 關於我們
  • 最新消息
  • 案例分享
  • 汽車醫生
  • Q&A
首頁>車型選擇>MATIZ 1.0>六大系統>變速箱

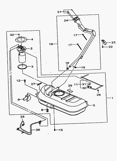
零件系圖

2112
油箱-剛材

2120
燃油管

2130
碳罐和油氣管

2220
加油線組

2236
水箱水管

2416
進氣系統

2430
進氣岐管

2450
真空管

2461
排氣管

2510
噴射電腦控制模組

  • 免付費電話:0800-898-200
  • 門市地點:台北市士林區延平北路七段177巷8號
  • 營業時間:週一 ~ 週五 09:00-18:00
  •      週六 09:00-17:00
  •      週日及國定假日公休

本網站各網頁內之產品商標,產品名稱、汽車圖片,其資訊皆各自歸於個別廠家及公司所有。


詢價


搜尋

  • 快速搜尋
  • 關鍵字
品牌:

*

車種:

*

年份:

*

汽/柴:
六大系統:
前往搜尋>>
品牌:

*

關鍵字:
前往搜尋>>