關於我們 最新消息 案例分享 汽車醫生 Q&A
登入/註冊
登入
註冊
  • 關於我們
  • 最新消息
  • 案例分享
  • 汽車醫生
  • Q&A
首頁>車型選擇>KORANDO>六大系統>引擎

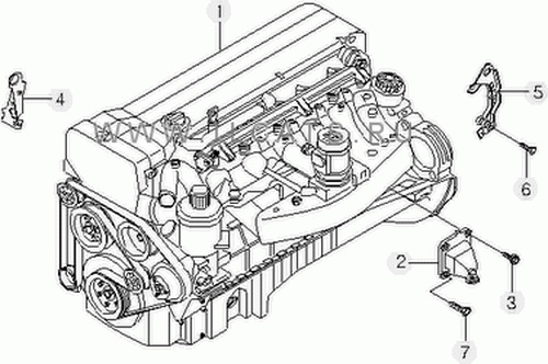
零件系圖

1
傳感器支架

2
發動機安裝

3
引擎單元門轎車

4
安全帶系統

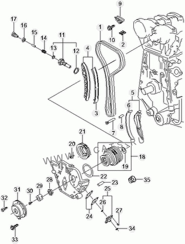
5
曲軸與飛輪

6
冷卻系統

7
油底殼泵

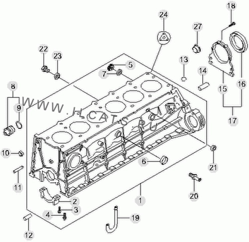
8
缸體

9
時序情況

10
氣缸蓋罩及凸輪軸

11
缸蓋和墊片套件

12
真空系統

13
真空泵

14
起動馬達

15
排氣歧管

16
發射模塊

17
發電機

18
短塊

19
注入控制系統

20
機油冷卻器

21
機油濾清器

22
燃料切斷真空線

23
點火線圈

24
鏈傳動

  • 免付費電話:0800-898-200
  • 門市地點:台北市士林區延平北路七段177巷8號
  • 營業時間:週一 ~ 週五 09:00-18:00
  •      週六 09:00-17:00
  •      週日及國定假日公休

本網站各網頁內之產品商標,產品名稱、汽車圖片,其資訊皆各自歸於個別廠家及公司所有。


詢價


搜尋

  • 快速搜尋
  • 關鍵字
品牌:

*

車種:

*

年份:

*

汽/柴:
六大系統:
前往搜尋>>
品牌:

*

關鍵字:
前往搜尋>>