關於我們 最新消息 案例分享 汽車醫生 Q&A
登入/註冊
登入
註冊
  • 關於我們
  • 最新消息
  • 案例分享
  • 汽車醫生
  • Q&A
首頁>車型選擇>KORANDO>六大系統>電器

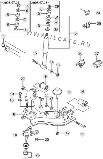
零件系圖

1
ABS系統

2
後軸

3
後軸

4
方向盤

5
制動管

6
制動管

7
剎車踏板

8
前花鼓及光盤

9
前剎車

10
前減震器

11
前軸

12
前軸

13
前橋安裝

14
前懸架

15
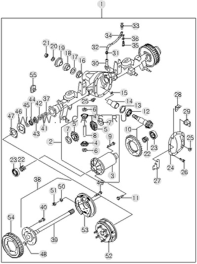
後制動

16
後制動鼓

17
後減震器

18
動力轉向泵

19
動力轉向泵

20
動力轉向管

21
動力轉向管

22
液壓調節器

23
輪胎及四輪盤式

24
半軸

25
停車制動器

26
主缸增壓

27
轉向柱

28
轉向器

29
加鎖集線器

30
穩定桿

  • 免付費電話:0800-898-200
  • 門市地點:台北市士林區延平北路七段177巷8號
  • 營業時間:週一 ~ 週五 09:00-18:00
  •      週六 09:00-17:00
  •      週日及國定假日公休

本網站各網頁內之產品商標,產品名稱、汽車圖片,其資訊皆各自歸於個別廠家及公司所有。


詢價


搜尋

  • 快速搜尋
  • 關鍵字
品牌:

*

車種:

*

年份:

*

汽/柴:
六大系統:
前往搜尋>>
品牌:

*

關鍵字:
前往搜尋>>