關於我們 最新消息 案例分享 汽車醫生 Q&A
登入/註冊
登入
註冊
  • 關於我們
  • 最新消息
  • 案例分享
  • 汽車醫生
  • Q&A
首頁>車型選擇>IX35>六大系統>電器

零件系圖

39371
電瓶

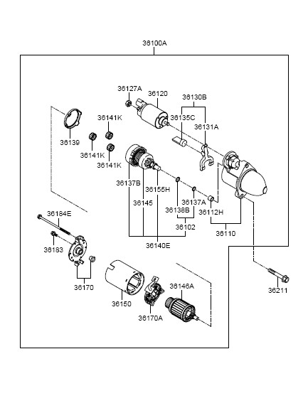
39361
起動馬達

39373
發電機

91956
ABS感應開關

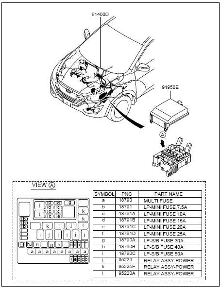
91912
保險絲-引擎

91952
繼電器

91914
線束線組-引擎及變速箱

91916
線束線組-車門

91921
大燈

91923
邊燈

91924
後燈

91928
室內燈

91934
方向燈開關

91935
開關件及電動窗開關

91940
指針式儀表

91961
音響系統

91962
天線

91961-1
音響系統

91961-2
音響系統

91966
警示喇叭

91981
前檔雨刷

91986
雨刷噴水桶

91988
後檔雨刷

  • 免付費電話:0800-898-200
  • 門市地點:台北市士林區延平北路七段177巷8號
  • 營業時間:週一 ~ 週五 09:00-18:00
  •      週六 09:00-17:00
  •      週日及國定假日公休

本網站各網頁內之產品商標,產品名稱、汽車圖片,其資訊皆各自歸於個別廠家及公司所有。


詢價


搜尋

  • 快速搜尋
  • 關鍵字
品牌:

*

車種:

*

年份:

*

汽/柴:
六大系統:
前往搜尋>>
品牌:

*

關鍵字:
前往搜尋>>