零件系圖
1
ADAPTOR ASSY - TSM54 M T,四輪驅動
2
ADAPTOR ASSY - TSM54 M T,四輪驅動
3
COUNT軸齒輪TSM54M T,四輪驅動
4
SHIFTER及推廣,TSM54 M T,四輪驅動
5
中心和REAR CARRIER行星(DC 5A T)
6
傳動軸
7
傳輸TSM52(M T,2WD)
8
傳輸TSM54-M T,四輪驅動
9
冷卻系統自動
10
多盤制動(DC 5A T)-2
11
多盤制動(DC 5A T)
12
手動換檔控制
13
手動換檔控制
14
油底殼(BTR M74
15
自動SHIFT C0NTROL(BTRA)
16
自動SHIFT C0NTROL(DC 5AT)
17
自動變速器(BTR M74)
18
自動變速器(DC 5A T)
19
複合制動系統(DC 5A T)
20
變速器殼體(BTR M74)
21
變速器殼體(DC 5A T)
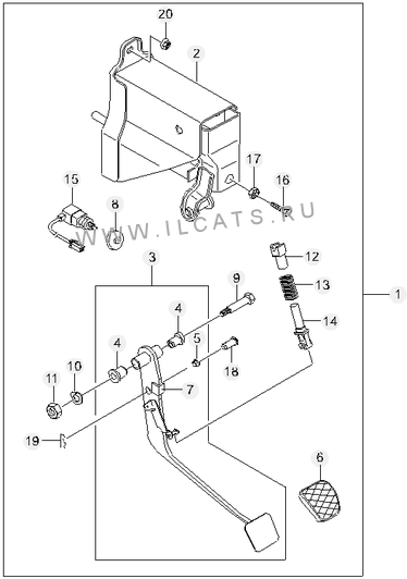
22
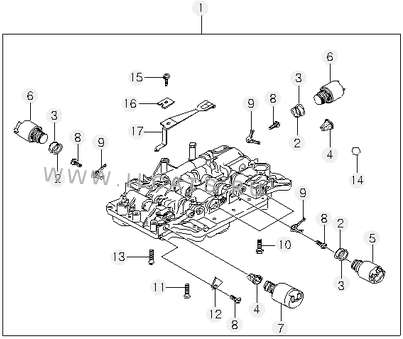
車速表傳感器和TCU
23
輔助的動力傳輸零件
24
輸入輸出軸與TSM52 - (M T,2WD)
25
輸入輸出軸與TSM54 - M T,四輪驅動
26
輸出軸(BTR M74)
27
轉換器油泵房屋及(BTR M74)
28
轉換器油泵房屋及(DC 5A T)
29
轉讓的情況; AWD
30
轉讓的情況下,P 時間
31
轉讓的情況下,P 時間(1)
32
轉讓的情況下,P 時間(2)
33
ADAPTOR ASSY - TSM54 M T,四輪驅動A
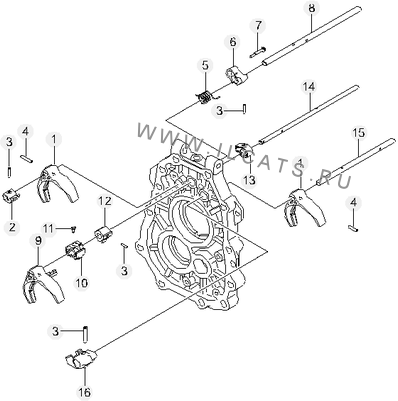
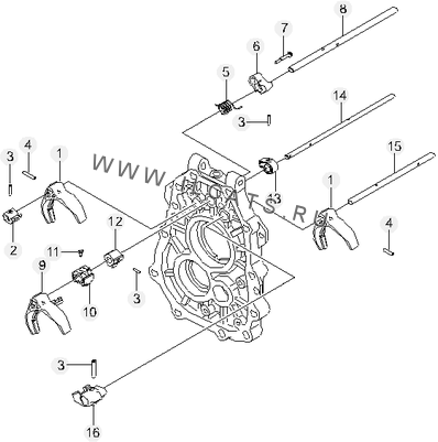
34
鐵路和FORK - SHIFT TSM54 M T,四輪驅動
35
鐵路和FORK - SHIFT TSM52(M T,2WD)
36
閥體(BTR M74)
37
閥體(DC 5A T)
38
離合器住房TSM52(M T,2WD)
39
離合器住房TSM54 M T,四輪驅動
40
離合器及行星載波(DC 5A T)
41
離合器控制
42
離合器片及房屋
43
離合器踏板
44
離合器(BTR M74)
45
驅動軸(DC 5A T)